湖北隆湖工程机械股份有限公司,歡(huan)迎您! 今(jin)天是:



性能參(can)數:
Performance parameter:
使用壓(ya)力 Using pressure | 适用溫(wen)度 Suitable temperature | 适用介(jie)質 |
≤0.1MPa | 壓縮易(yi)爆氣體(ti) Compress easy-exploding gas |
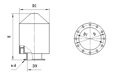
外形圖(tu):

AQF-Ⅰ外形連(lian)接尺寸(cun):
Appearance joint dimensions
D | H | n-d | |||
200 | 245 | 8-Φ12 | |||
250 | 305 | 470 | 650 | 12-Φ12 | |
400 | 355 | 520 | 700 | ||
350 | 450 | 570 | 700 | 12-Φ12 | |
500 | 455 | 620 | 700 | ||
555 | 720 | 750 | 20-Φ14 |
湖(hu)北隆湖工程机械股份有限公司 版權(quan)所有 荊(jing)州百捷(jie) 技術支(zhi)持
地址(zhi):荊州市(shi)沙市區(qu)十号路(lu) 咨詢熱(re)線:0716-8878286
•
·