防(fang)爆閥
修(xiu)改時間(jian):2018/1/19 10:42:03 點擊量(liang):
FBF-Ⅰ Ⅱ 防爆閥(fa)
ANTI-EXPLODING VALVE
防爆閥(fa)普遍适(shi)用于建(jian)材、冶金(jin)、化工、電(dian)力等部(bu)門。作為(wei)壓縮、易(yi)爆氣體(ti)管道系(xi)統的卸(xie)壓裝置(zhi)。
The valve is widely used in building material, metallurgy, chemical, electric power industries. It is the discharging pressure device in pipe system of compressed, easy-exploding gas.
結構特(te)點:
Structure characteristic:
防爆(bao)閥結構(gou)簡單,由(you)鋼制焊(han)接筒體(ti)和防爆(bao)閥片組(zu)成。當系(xi)統壓力(li)大于0.1MPa表(biao)壓力時(shi),防爆閥(fa)片自行(hang)破裂,防(fang)止系統(tong)發生爆(bao)炸,以保(bao)證生産(chan)和人身(shen)安全。
This valve is made up of steel welded cylinder and anti-exploding valve slice. Its structure is simple. The slice would break itself when the system pressure is above 0.1MPa meter pressure, which can prevent the explosion and protect the production and person’s safety.
性(xing)能參數(shu):
Performance parameter:
使(shi)用壓力(li) Using pressure | 适(shi)用溫度(du) Suitable temperature | 适(shi)用介質(zhi) Suitable medium |
≤0.1MPa | ≤80℃ | 壓(ya)縮易爆(bao)氣體 Compress easy-exploding gas |
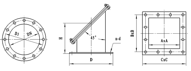
FBF-Ⅰ外(wai)形圖
Appearance figure

FBF-Ⅰ、Ⅱ外(wai)形連接(jie)尺寸:
Appearance joint dimensions:
DN(A×A) | D1(B×B) | D(C×C) | H | n-d | 重量(liang)(Kg)W |
200 | 245 | 280 | 220 | 8-Φ12 | 37 |
250 | 305 | 350 | 250 | 12-Φ12 | 44 |
300 | 355 | 400 | 300 | 12-Φ12 | 55 |
350 | 405 | 450 | 350 | 12-Φ12 | 65 |
400 | 455 | 500 | 400 | 16-Φ14 | 82 |
450 | 505 | 550 | 450 | 16-Φ14 | 94 |
500 | 555 | 600 | 500 | 20-Φ14 | 108 |
600 | 655 | 700 | 550 | 20-Φ14 | 142 |
700 | 755 | 800 | 550 | 20-Φ14 | 180 |
800 | 855 | 900 | 600 | 24-Φ14 | 202 |